1400 Square Feet House Plans: The Perfect Balance of Space and Comfort
When it comes to designing your dream home, finding the right balance between space and comfort is essential. 1400 square feet house plans offer the perfect solution for those looking for a cozy yet spacious living environment. In this article, we will explore everything you need to know about 1400 square feet house plans, from their layout and design to the benefits they offer.
Knowledge
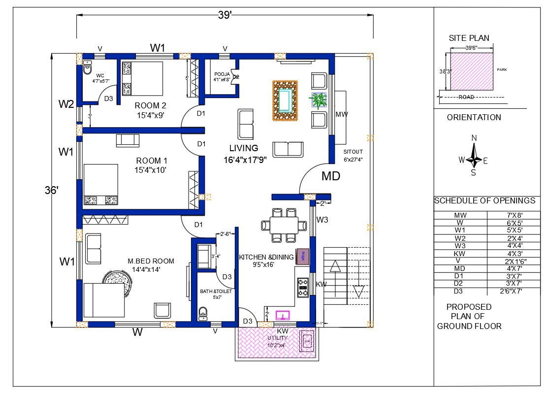
1400 square feet house plans typically offer a comfortable living space with enough room for a small family or individuals looking for a cozy home. These plans often feature open floor designs that maximize space and create a seamless flow between rooms. With 1400 square feet, homeowners have the flexibility to customize their living spaces while still maintaining a sense of intimacy and comfort.
One of the key advantages of 1400 square feet house plans is their versatility. Whether you prefer a traditional layout or a more modern design, these plans can accommodate a variety of styles and preferences. From spacious kitchens and living areas to cozy bedrooms and bathrooms, 1400 square feet house plans offer the perfect balance of functionality and comfort.
Another important aspect to consider when choosing a 1400 square feet house plan is the potential for customization. With this amount of space, homeowners have the freedom to add personal touches and tailor the design to suit their lifestyle. Whether you enjoy entertaining guests or simply want a peaceful retreat, 1400 square feet house plans can be adapted to meet your needs.
Overall, 1400 square feet house plans are an excellent choice for those seeking a comfortable and functional living space. With their versatile design and customizable features, these plans offer the perfect balance of space and comfort for individuals and families alike.
How to download and save it
Conclusion
In conclusion, 1400 square feet house plans are a popular choice for homeowners looking for a cozy yet spacious living environment. Their versatile design and customizable features make them ideal for individuals and families seeking a comfortable and functional home. Whether you prefer a traditional layout or a more modern design, 1400 square feet house plans offer the perfect balance of space and comfort.
Overall, 1400 square feet house plans are a great option for those who value both space and comfort in their living space. With their flexibility and customization options, these plans provide the perfect foundation for creating your dream home.

