1400 Sq Foot House Plans: The Ultimate Guide for Your Dream Home
When it comes to building your dream home, finding the perfect house plan is crucial. With 1400 sq foot house plans, you can achieve the ideal balance of space and functionality. Whether you’re a first-time homebuyer or looking to downsize, these plans offer a variety of options to suit your needs. In this comprehensive guide, we will explore everything you need to know about 1400 sq foot house plans, including their appeal, key features, and how to download and save them.
Knowledge
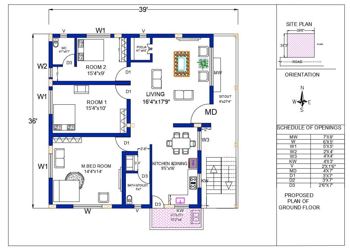
1400 sq foot house plans are popular for their versatility and efficiency. These plans typically feature two to three bedrooms, one to two bathrooms, and an open-concept living area. The layout is designed to maximize space while providing all the essential amenities for comfortable living. Whether you prefer a traditional layout or a more modern design, there are plenty of options available to customize your home to suit your style.
One of the main benefits of 1400 sq foot house plans is their affordability. With a smaller footprint, these homes are more cost-effective to build and maintain compared to larger homes. They are also ideal for those looking to reduce their carbon footprint and live a more sustainable lifestyle. Additionally, the compact size of these homes makes them easier to clean and maintain, saving you time and energy in the long run.
When choosing a 1400 sq foot house plan, consider your lifestyle and needs. Do you need extra space for a home office or guest room? Would you prefer an open-concept layout for entertaining? By customizing your plan to fit your unique requirements, you can create a home that is perfect for you and your family.
How to download and save it
Downloading and saving a 1400 sq foot house plan is easy and convenient. There are numerous websites and online platforms that offer a wide selection of house plans to choose from. Simply search for “1400 sq foot house plans” and browse through the available options. Once you find a plan that meets your criteria, you can download it directly to your computer or mobile device.
Before downloading a house plan, make sure to review the details carefully. Pay attention to the dimensions, layout, and features included in the plan to ensure it meets your needs. Some websites may offer customization options, allowing you to make changes to the plan to suit your preferences.
Conclusion
In conclusion, 1400 sq foot house plans are an excellent choice for those looking to build a practical and stylish home. Their compact size, affordability, and customization options make them a popular choice among homeowners. Whether you’re a young couple starting a family or empty nesters looking to downsize, these plans offer the perfect balance of space and functionality.
Overall, 1400 sq foot house plans are ideal for anyone seeking a well-designed and efficient home that meets their needs. With the right plan and a bit of creativity, you can create the perfect living space for you and your family.

